Sparks31: Building Your Own Radio

Sparks31 has a couple of articles up about getting going building your own radio gear, whether you want to survive an EMP or just get on the air for a little less cash.

We Used to Build: Rolling Your Own Radios, Part 1

We Used to Build: Rolling Your Own Radios, Part 2

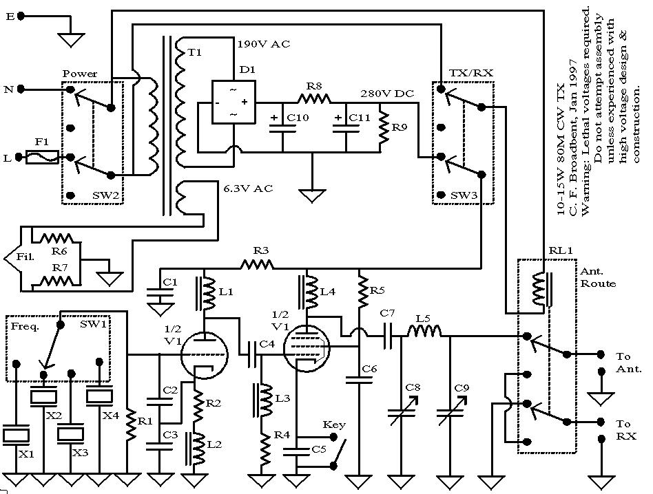
The first ham radio book I bought when studying for my license had the schematic for a simple 80 meter CW transmitter using a 6LR8 tube. The schematic looked something like the one above. This was back in the early 1980s when they expected someone at Novice Class level to be able to build a simple CW rig with the help of an elmer.

In an age where the Maker Movement is rapidly gaining popularity and adopting the manifesto of If you can’t fix it, you don’t own it, the original DIY hobby (ham radio) has degenerated into a bunch of appliance operators using equipment made in totalitarian countries.  When the balloon goes up, all the no-code, test-pool memorizing, Extras who passed all three tests in a single sitting are going to be left out in the cold with their Chinese dual-band HTs, unless they get up to speed.

What do you need to do?

  1. Find the local elmer who has had his license for the past 60 years and still runs something like a Harvey Wells Bandmaster or something he built himself.
  2. Put together your library.
  3. Get radios that you can actually fix, as opposed to appliances that become worthless if they break because they can’t be fixed.
  4. Build a kit or three.
  5. Learn the techncial aspects of ham radio.
  6. Learn CW.
  7. Graduate to rolling your own radios.

Good elmers are hard to come by. The good ones are at least in their 70s, and usually older. They still exist, however. The hardest parts for many of you are going to be a) getting the gumption to actually put the effort into looking for one, and b) not coming across as a total cock-walloping asshole. Oh well, as Frank would say, “many are called and few are chosen.”

There are plenty of online sources to build up your reference library, but you’ll want a few books in hardcopy format. Start with an ARRL Handbook from the late 1960s up to the 1980s or 1990s. Older and you’ll get into tube gear which is cool, but probably not something you want to start with. Newer starts getting away from sold state, discrete component, thru-hole PCB construction that’s easy to begin with…

Most of our local hamfests are over for the year as far as picking up used equipment and old books. The next big one in the state will be the Mike & Key Electronics Show and Fleamarket on March 9th, 2019. More locally, the Yakima Hamfest arrives in April, and they Kennewick Electronics, Ham Radio and Experimenters Swap Meet on May 4, 2019.